req data: {"token":"Ny4jFNWTtg2MfJ0ZvZUtKVyybH4FPfns@Ktw7OE8A7MrqS2ej0IocMTm7qdRVmZyh","conversionTypes":[{"logidUrl":"https:\/\/www.ruiapple-fan.cn\/contact?bd_vid=uANBIyIxUhNLgvw-I-tzP1nznHmvg1PxnHT1njndrjRknHmvPs","convertType":3}]} retry times: 0 res: {"header":{"desc":"quota is exhausted","status":5}}
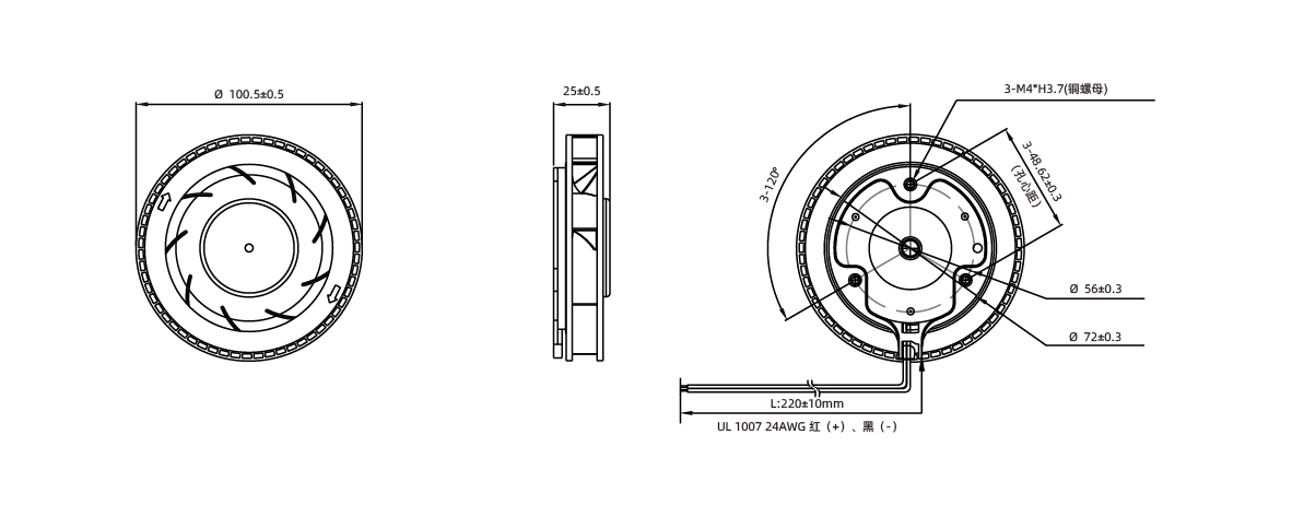
DCC-10025 53.5CFM 328.8Pa 30.5Db
产品描述:

这款DCC-10025直流离心风机设计紧凑,适用于需要高效散热的各种电子设备。该风机提供12V和24V两种电压选择,能够在高转速下运行风机采用双滚珠轴承设计,确保其在各种应用场景中的长寿命和可靠性。多用于空气净化器等产品,自2019年开始,在韩国现代高端车型上被作为空气净化器使用,过滤PM2.5效果极佳。

获取数据表
详细参数
型号类别:

型号: DCC-10025

类型: 后倾式离心机

电机: 无刷直流电机

产品信息:

轴承类别: 滚珠 液压 含油可选

扇叶材质: 耐高温LPC工程塑料,阻燃UL-94V0

底座材质: 底座外框:压铸铝合金

认证: UL CE CCC

控制方式: PWM VSP 温度控制,恒定转速

保护性能: 锁定保护 最大IP68

输出信号: FG RD LD

绝缘等级: B

绝缘电阻: 10MΩ/500V DC

介电强度: 2Min/500V AC/5mA

工作湿度: 20%-85%

工作温度: -10℃/+60℃

预计寿命: 70000 小时

性能参数
P-Q曲线图
绘图